Беспроводной модуль RTL8821AU с поддержкой Wi Fi Bluetooth 2 в 1 433 Мбит/с USB интерфейс|Модули

Сохраните в закладки:

Цена:615,76RUB*

Количество:

Доставка в Эль-Монте, по России и СНГ


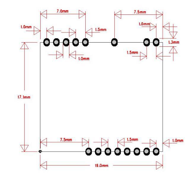
  • Беспроводной модуль RTL8821AU с поддержкой Wi Fi Bluetooth 2 в 1 433 Мбит/с USB интерфейс|Модули - Фото №1
  • История цены

    *История изменения цены! Указанная стоимость возможно, уже изменилось. Проверить текущую цену - >

    Месяц Минимальная цена Макс. стоимость Цена
    Aug-15-2025 781.75 руб. 797.76 руб. 789 руб.
    Jul-15-2025 633.69 руб. 646.33 руб. 639.5 руб.
    Jun-15-2025 769.37 руб. 784.2 руб. 776.5 руб.
    May-15-2025 763.9 руб. 778.54 руб. 770.5 руб.
    Apr-15-2025 609.73 руб. 621.21 руб. 615 руб.
    Mar-15-2025 750.23 руб. 765.36 руб. 757.5 руб.
    Feb-15-2025 744.70 руб. 759.80 руб. 751.5 руб.
    Jan-15-2025 738.57 руб. 753.6 руб. 745.5 руб.

    Новые товары

    Характеристики

    Беспроводной модуль RTL8821AU с поддержкой Wi Fi Bluetooth 2 в 1 433 Мбит/с USB интерфейс|Модули

    Описание товара

     

     

    Информация о продуктеНизкомощный, высокоскоростной Wi-Fi модуль. Приобретается с чипом Raychem RTL8821AU, использует интерфейс USB для обеспечения высокоскоростной передачи, в соответствии со стандартом IEEE 802.11b/g/n/ac, рабочий режим 2,4G/5,8G скорость передачи данных до 433 Мбит/с, он поддерживает Bluetooth 4,0.     Продукт Особенности• Основные характеристики WLAN-PHY: MIMO поддерживает 1T1R в полосе 2,4G/5,8G;-Поддержка IEEE 802,11 b/g/n/ac;-Поддержка соприкосновения 20 м/40 м/80 м;-BT поддерживает интерфейс USB;-Wi-Fi поддерживает интерфейс USB;• Основные характеристики SoC-Мощность питания: 3,3 V (3,0-3,5 V);-Канал: 2,4G: 1-14; 5.G: см. Технические характеристики;-Поддерживающая частота: 2,400 ~ 2,4835 ГГц, 5,150-5,825 ГГц;• Другие основные характеристики-Скорость передачи данных:802.11b: 1 odair/тонкий белый кардиган с длинным рукавом для девочек возрастом 2, 5,5, 11 Мбит/с802.11a: 6,9,12,18,24,36,48,54 Мбит/с802,11g: 6,9,12,18,24,36,48,54 Мбит/с802.11n: MCS0 ~ MCS7, до 150 Мбит/с802.11ac: до 433,3 Мбит/с   -Мощность передачи 2,4G: 11b & 11M @ 16dBm; 11g & 54M @ 15dBm; 11n & MCS 7 @ 14dBm;-5G Мощность передачи: 11a & 54M @ 13dBm; 11ac & MCS 9 @ 11dBm; 11n и MCS 7 @ 12dBm;-Чувствительность приема 2,4G: -92dBm @ Rate1; -71dBm @ Rate 54; -69dBm @ Rate MCS 7;-5G чувствительность приема: -82dBm @ скорость 6; -65dBm @ скорости 54; -64dBm @ скорость MCS 7; -51dBm @ скорость «камень, ножницы, бумага» 80 MCS 9;Приложений· Планшет/ноутбук/IPTV/DVB/STB/TT   Интеллектуальный ТВ/умный проекционный пико   Беспроводная память/интеллектуальный шлюз   Робот/умный город   ♦ Фронтальная загрузка автомобиля/задний терминал загрузки   Продукт основные параметрыМодель чипа RTL8821AUТип интерфейса WI-FI: USB   BT: USB   Беспроводной стандартIEEE802.11 b/g/n/ac   Скорость передачи данных 2,4G: 150 Мбит/с   5G: 433 Мбит/с   Безопасность RoHS, REACHВнешняя система поддержки подключения антенныAndroid / Win CE / iOS / Linux   Windows 2000/XP/WIN10   Рабочая частота 2,4 ГГц/5 ГГц рабочее напряжение 3,3 VРазмер l19,0 мм * w17,1 мм * t2.0мм RF антенна 1T1RРабочая температура от-20 °C до 70 °C, температура хранения от-40 °C до 125 °C    

    F21AUUM13-W2-18725

     F21AUUM13-W2-18725

     

     



    Трекер стоимости


    Отзывы покупателей

    Новые отзывы о товарах

    Екатерина 20 Декабря 2021, 05:41 #

    Это не часы, а просто мечта. Как раз то, что я хотела. Часы смотрятся на руке очень элегантно и дорого,... Читать отзыв полностью...

    Екатерина 19 Декабря 2021, 08:10 #

    Красивые, яркие, интересные и очень оригинальные серьги. Мне они понравились буквально с первого взгляда. Нисколько не пожалела, что их заказала.... Читать отзыв полностью...

    Владимир 01 Сентября 2023, 16:54 #

    Очень нравится этот смартфон. Версия 26/256. Есть все что надо. Единственный недостаток, это то, что в качестве сенсора используется камера... Читать отзыв полностью...

    Надежда 19 Декабря 2021, 09:19 #

    Сделала покупку у данного продавца впервые. Купила на свой страх и риск два комплекта сразу: для мальчика и девочки. Ткань-... Читать отзыв полностью...

    Екатерина 20 Декабря 2021, 06:11 #

    Нисколько не пожалела, что заказала здесь светоотражающий Зонт Godox. СТоимост оказалась вполне доступной. Просто в других интернет-магазинах видела такой же... Читать отзыв полностью...

    Екатерина 19 Декабря 2021, 05:36 #

    Купила этот датчик скорости и нисколько не пожалела. Стоимость его вполне адекватная оказалась, в других просто интернет-магазинах видела такой же... Читать отзыв полностью...

    Рома Белов 19 Декабря 2021, 13:12 #

    Забавная маска, довольно страшная. Цена не высока, по размерам угадали. Главное в маске, эффект неожиданности. Шутка удалась. Для маскарада и... Читать отзыв полностью...


    Отзывы о Беспроводной модуль RTL8821AU с поддержкой Wi Fi Bluetooth 2 в 1 433 Мбит/с USB интерфейс|Модули

    Данную страницу никто не комментировал. Вы можете стать первым.
    Введите символы или вычислите пример:
    captcha