Для ремонта Fiat Kobelco-руководства по ремонту тяжелых линий двигателей проводки и

Сохраните в закладки:

Цена:5 617,64RUB*

Количество:

Доставка в Эль-Монте, по России и СНГ


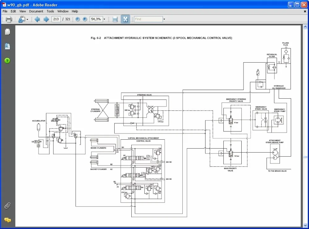
  • Для ремонта Fiat Kobelco-руководства по ремонту тяжелых линий двигателей проводки и - Фото №1
  • Для ремонта Fiat Kobelco-руководства по ремонту тяжелых линий двигателей проводки и - Фото №1
  • История цены

    *История изменения цены! Указанная стоимость возможно, уже изменилось. Проверить текущую цену - >

    Месяц Минимальная цена Макс. стоимость Цена
    Aug-15-2025 7134.8 руб. 7277.48 руб. 7205.5 руб.
    Jul-15-2025 5786.47 руб. 5902.15 руб. 5844 руб.
    Jun-15-2025 7021.28 руб. 7161.79 руб. 7091 руб.
    May-15-2025 6965.19 руб. 7104.34 руб. 7034.5 руб.
    Apr-15-2025 5561.93 руб. 5672.82 руб. 5616.5 руб.
    Mar-15-2025 6853.84 руб. 6990.65 руб. 6921.5 руб.
    Feb-15-2025 6797.18 руб. 6933.23 руб. 6865 руб.
    Jan-15-2025 6740.97 руб. 6875.64 руб. 6807.5 руб.

    Новые товары

    Характеристики

    Для ремонта Fiat Kobelco-руководства по ремонту тяжелых линий двигателей проводки и

    Описание товара

    CD/DVD: 1 DVD Язык: EN, IT, FR, DE, ES Тип: Руководство по ремонту, Схемы проводки, гидравлические схемы

    Руководство по ремонту, Схемы проводки, гидравлические схемы дляФиат кобелкоТяжелое оборудование и двигатели.

    Колесные погрузчики

    W90
    W110 / W130 / W130PL
    W170 / W170PL / W190
    W110 EVOLUTION
    W130 EVOLUTION
    W170 / W170PL EVOLUTION
    W190 EVOLUTION
    W230 EVOLUTION
    W270 EVOLUTION

    Гусеничный бульдозер

    D150 / D150LGP
    D150PS
    D150TIER2
    D180
    D180PS / D180LGP
    D180 TIER2
    D255
    D350

    Гусеничные экскаваторы

    E115SR / E135SR EVOLUTION
    E135 EVOLUTION
    E165 / E195 EVOLUTION
    E265 / E305 EVOLUTION
    E385 EVOLUTION
    E485 EVOLUTION
    E200SR
    E235SR
    E215 E235 EVOLUTION
    E805
    EX255 EX285 TIER2
    EX355 TIER2
    EX455 TIER2

    Колесные экскаваторы

    EX125W
    E145W / E175W EVOLUTION
    E195W
    E215W

    Самосвал

    AD25
    AD30

    Вибрационные ролики

    C7 / C9 / C11 / C15

    Грейдеры

    G1102/g1102 6WD TIER2
    G140.B / G170.B / G200.B



    Трекер стоимости


    Отзывы покупателей

    Новые отзывы о товарах

    Екатерина 19 Декабря 2021, 06:58 #

    Давно хотела себе именно такие часы. В золотом корпусе с украшениями. Если сказать буквально в нескольких словах, то они просто... Читать отзыв полностью...

    Владимир 19 Мая 2023, 11:16 #

    Абсолютно не ясно, как подключить. Может кто прояснить ?... Читать отзыв полностью...

    Екатерина 23 Декабря 2021, 10:54 #

    Скажу буквально в двух словах, — серьги просто отличные. На сто процентов осталась довольна своей покупкой. Выглядядт стильно, плюс качество... Читать отзыв полностью...

    Екатерина 23 Декабря 2021, 11:16 #

    Это стильные серьги-гвоздики, скажу, что довольна своей покупкой на все сто процентов. Качество реально неплохое, если сказать вкратце. Также хочу... Читать отзыв полностью...

    Татьяна 30 Декабря 2024, 04:30 #

    Хорошие стринги классные... Читать отзыв полностью...

    Екатерина 20 Декабря 2021, 05:31 #

    Серьги просто замечательные, по-другому и не скажешь. Я была удивлена, когда их получила. Они выглядят даже круче, чем на фото.... Читать отзыв полностью...

    Diana 19 Декабря 2021, 02:03 #

    Заказала этот крутой костюм эльфа для косплея и новогодней вечеринки ? С нетерпением ждала эту посылочку и вот наконец-то получила... Читать отзыв полностью...


    Отзывы о Для ремонта Fiat Kobelco-руководства по ремонту тяжелых линий двигателей проводки и

    Данную страницу никто не комментировал. Вы можете стать первым.
    Введите символы или вычислите пример:
    captcha